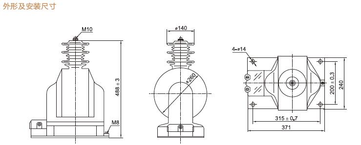
JDZW-20R電壓互感器適用于戶外、為戶外環氧樹脂澆注絕緣全封閉式結構、額定頻率為 50Hz 或60Hz、額定電壓為20kV的電力系統中,作電能計量、電壓監測和繼電保護用。



1、產品特點:該互感器采用全封閉支柱式結構、利用耐老化的戶外專用環氧樹脂真空澆注成、因此他具耐電弧能,耐紫外性性能、以及耐老化性能、都達到一流水平。
2、由于互感器采用封閉式絕緣設計,再加上我公司作了專業的研發和改進,因此我公司生產的JDZXW-35型電壓互感器可以適用于任何位置、可以在任意方向裝,其次,還具有重量輕、體積小等優點。
3、JDZXW-35型電壓互感器二次出線端子加有金屬保護罩密封、因此具有良好防污染、抗腐蝕性能,同此同時,還可能有效的延長電壓互感器的壽命、以及整個電力系統的穩定性可靠性,
1、用戶在采購該產品時,一定要嚴格要確認發相關的技術采數后再進行下單生產,要確保所生產出來的東西所有的技術參數,結構殼體設計與我們項目的要求一樣。 2、產品在運行前一定要再做一次檢查,在確定無誤后再投入使用,要重新核對產品的參數是否正確、同時檢查其元件配置是否有損害,在確認無誤下方可進行安裝。
3、產品的存放應該放在通風、沒有潮濕的地方,投入運行以后,要定期對JDZXW-35型電壓互感器檢查,檢查其工性性能是否有下降,運行過程中是否存在隱串,如果發現問題。應及時讓有關部分進行整改和維修。
JDZ16-3、6、10 JDZ(X)-10 JDZW-10R JDZ(X)10-3、6、10A1(G)
JDZX9-35 JDZW-20R JDZW-10R JDZW3-3、6、10
JDZXW-35 JDZ16-3、6、10 JDZ(X)W-35(G) JDZ(J)-3、6、10Q
JDZX10-3、6、10 JDZ10-3、6、10A1 JDZX9-3、6-10Q(G) JDZX9-3、6-10Q
JDZX18-3、6、10R1 JDZ(X)11-15、20(G) JDZZW-10 JDZZW-10
JDZ(X)10-3、6、10A1(G) JDZ(X)W-10 JDZW-20R JDZW3-3、6、10 JDZXW-35
七、浙江中拓戶外電壓互感器生產廠家介紹
浙江中拓高壓電器有限公司成立于2006年,專用于ZW32真空斷路器的戶外保護用電流互感器LZW32-10(12)系列,是我們的主推產品,是目前國內同類配套互感器最優生產商。2012年推出了更新換代產品LJ-ZW32-10型戶外零序保護一體式互感器,擁有多項自主知識產權,LJZW32型電流互感器是我公司為電力系統智能化、輕量化,特殊研制的新型專利產品。體積小、重量輕,組合非常合理。可實現A、B、C三相計(測)量、保護及零序接地保護。成功為國家電網、南方電網智能化發展做出了應有的技術支持。主要國內客戶有北京雙杰,北京合瑞,北京合縱,施耐德陜西寶光,廣東長園,廣東阿爾派,河南森源,湖北網安,江蘇宏達,江蘇丹通,江蘇科宇,上海東自,天正集體,浙江巨力,浙江伏安特,登高電氣,紅光集團……國網南網招標配套占有率非常高,我們將是您好的選擇,選擇我